
产品分类
products category
相关文章
Related articles

音圈电机驱动偏摆镜BSM采用差分驱动与差分传感设计,通过负载平面的两轴(θx,0y)旋转运动实现高精密指向与调姿,输出扭矩大,控制精度高,适用于超远程大口径光束的快速指向、扫描及跟踪。
产品型号:
厂商性质:生产厂家
更新时间:2026-04-22
访 问 量:24
立即咨询
联系电话:010-60414386
音圈电机驱动偏摆镜BSM
音圈电机驱动偏摆镜BSM采用差分驱动与差分传感设计,通过负载平面的两轴(θx,0y)旋转运动实现高精密指向与调姿,输出扭矩大,控制精度高,适用于超远程大口径光束的快速指向、扫描及跟踪。
1、典型应用
激光雷达
目标探测
目标跟踪
空间激光通讯
光学稳像
激光束稳定
超分辨率光学成像
2、技术特点
音圈电机直驱式精密设计
高精度柔性铰链设计,光学负载鲁棒性强
支持光机对准、跟踪及动态扫描等复杂伺服需求
嵌入式纳米位移传感器系统
超高指向精度、高动态、低噪声
兼容空间及高真空等特殊环境
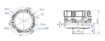
3、2D尺寸图

4、规格参数
JKZC-VCM-UV | 单位 | |
运动轴 | θx,θy | |
传感器类型 | 电容传感器 | |
驱动类型 | 音圈电机 | |
闭环行程 | 10 | mrad |
闭环分辨率 | ±0.05 | μrad |
指向精度 | ±0.75 | μrad |
最小转动角度 | 1.5 | % |
线性度 | 0.5 | HZ |
谐振频率 | 20(带直径105mm反射镜) | g |
自重 | 5(不含底座) | ms |
电气接口 | D-sub9 | kg |
尺寸(LxWxH) | φ140x116.4 | |
材料 | 铝合金/钛合金 | mm |
真空(可选 | 超真空兼容(5x109) | mbar |
5、适配控制器
返回列表